Blue Diamond Design

ABSA Audits

With over 35 years of experience, we are dedicated to delivering high-quality results while optimizing time and cost efficiency. Our focus is on getting the job done right the first time, providing you with peace of mind throughout the process.

We’re committed to being there whenever you need us, offering ongoing support and guidance to ensure your project’s success.


Prepare for Your ABSA Quality Control Audit with Expert Guidance

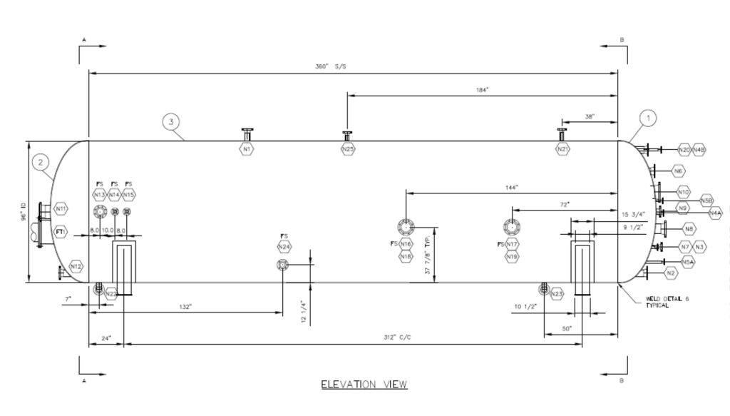
To facilitate the audit of your Quality Control Program, ABSA requires the construction of a basic pressure vessel. This vessel must be officially registered and accurately reflect the construction methods detailed in your QC Manual.

A typical example would be an 8-inch fuel gas scrubber or a shop air receiver with a capacity exceeding 1.5 cubic feet, ensuring it qualifies as a vessel rather than a fitting. These vessels can be used or sold after completion. Your design should also include spot radiography as specified in your drawing.

Once your vessel calculations and drawings are finalized, submit them to the ABSA Design Survey for registration. Following this step, you’ll be ready to proceed with your shop audit.

At Blue Diamond Design Engineering, we specialize in navigating the ABSA audit process.

Got Questions? We're Here to Help You Succeed!

Contact Blue Diamond Design Engineering to ensure your audit preparation is seamless and successful.